Автор |
Съобщение |
ivan_trabant_stz
г-н Самотен
Регистриран на: Понеделник, 20.10.2008 г. 16:23 ч. Мнения: 91 Местоположение: stara zagora
Skype: ivanz_stz
Automobile: Trabant
|
 Оборотомер ?
От к ъде се взима сигнал за оборотомера? Оборотомера ми е от IFA,за модела незнам. 
_________________ усмивка за 2
|
Вторник, 23.12.2008 г. 15:02 ч. |
|
 |
tsveto
Зеления миксер
Регистриран на: Неделя, 10.02.2008 г. 23:09 ч. Мнения: 214 Местоположение: Русе
Automobile: rennpappe
|
 Re: оборотомер
Този оборотомер не е ли малък,смисал само до 3000хил.оборота е ? 
|
Вторник, 23.12.2008 г. 22:53 ч. |
|
 |
theultimate
Знае всичко за двутактовите
Регистриран на: Вторник, 05.02.2008 г. 23:26 ч. Мнения: 2551 Местоположение: София
Skype: vasil166
Automobile: Trabant
|
 Re: оборотомер
Ток се взима от +. От минус се взима сигнала...
_________________ МВ-7. Парапети, сенници, щори, слънчеви бойлери
|
Вторник, 30.12.2008 г. 10:12 ч. |
|
 |
tsveto
Зеления миксер
Регистриран на: Неделя, 10.02.2008 г. 23:09 ч. Мнения: 214 Местоположение: Русе
Automobile: rennpappe
|
 Re: оборотомер
Аз искам да питам(за да не отварям друга тема) може ли да се сложи оборотомер от тези които ги продават в топ спеед примерно,нищо,че пише че са за 4т ?
|
Неделя, 04.01.2009 г. 19:36 ч. |
|
 |
theultimate
Знае всичко за двутактовите
Регистриран на: Вторник, 05.02.2008 г. 23:26 ч. Мнения: 2551 Местоположение: София
Skype: vasil166
Automobile: Trabant
|
 Re: оборотомер
Може. Просто при оборотомер от 4т 4-цилиндрова кола се взима ток от двете бобини с диоди.
_________________ МВ-7. Парапети, сенници, щори, слънчеви бойлери
|
Неделя, 04.01.2009 г. 19:37 ч. |
|
 |
koce
Кара Wartburg 20 години.
Регистриран на: Събота, 09.02.2008 г. 15:41 ч. Мнения: 137 Местоположение: София
|
 Re: оборотомер
До колкото знам оборотомера работи с импулсите от бобината. При 4 тактовите 4 цилиндрови при 1 оборот има 2 искри или 2 импулса. При Трабанта също има за 1 оборот 2 искри или 2 импулса. При свързване на едната бубина ще има 1 импулс на оборот или ще показва наполовина вместо 3000 оборота 1500 оборота. Затова трябва от двете бубини да се свържат.
|
Неделя, 04.01.2009 г. 21:24 ч. |
|
 |
Bat_Ilko
Долен и зъл ентусиаст
Регистриран на: Събота, 16.02.2008 г. 14:26 ч. Мнения: 227 Местоположение: Стара Загора
|
 Re: оборотомер
Тоя оборотомер не е ли машина с дизелов двигател? Ако е така трудно ще го вържеш към бобина. Там май се взема сигнал от алтернатора и трудно ще се преправи да работи на Трабант.
_________________ http://www.vbox7.com/play:b720d575
|
Понеделник, 05.01.2009 г. 21:33 ч. |
|
 |
bebcho
Начинаещ
Регистриран на: Четвъртък, 19.02.2009 г. 14:26 ч. Мнения: 10 Местоположение: Стара Загора
Skype: bqsniq0306
|
 Re: Оборотомер ?
Аз имам обортомер от лада може ли някой подробно да ми обесни как да си го сваржа
|
Събота, 11.04.2009 г. 22:05 ч. |
|
 |
AdreNaLINE
N.Paunov
Регистриран на: Вторник, 17.06.2008 г. 19:22 ч. Мнения: 148 Местоположение: Димитровград
Skype: nikola.paunov
Automobile: 5xTt 600;4xWt 311
|
 Re: Оборотомер ?
Няма да е зле наистина, ако някой обясни точно как да се свърже. 
|
Събота, 11.04.2009 г. 23:02 ч. |
|
 |
theultimate
Знае всичко за двутактовите
Регистриран на: Вторник, 05.02.2008 г. 23:26 ч. Мнения: 2551 Местоположение: София
Skype: vasil166
Automobile: Trabant
|
 Re: Оборотомер ?
За 999 път обяснявам. Плюс взимате от черния кабел на бобините. Маса - от където ви падне. Сигнал се взима с два диода, които излизат от минусите на бобините и се събират в един кабел към оборотомера. Диодите трябва да са с еднаква посока, точната посока незнам, но ако и двата са на обратно просто не работи.
_________________ МВ-7. Парапети, сенници, щори, слънчеви бойлери
|
Събота, 11.04.2009 г. 23:46 ч. |
|
 |
bebcho
Начинаещ
Регистриран на: Четвъртък, 19.02.2009 г. 14:26 ч. Мнения: 10 Местоположение: Стара Загора
Skype: bqsniq0306
|
 Re: Оборотомер ?
мерси 
|
Събота, 11.04.2009 г. 23:49 ч. |
|
 |
vromos
Научи се как се сипва масло
Регистриран на: Четвъртък, 09.04.2009 г. 23:51 ч. Мнения: 45 Местоположение: Бургас
Skype: vromos_rasing
|
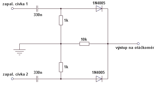
 Re: Оборотомер ?
Прикачвам схема по която съм свързал моя ладов оборотомер и работи 
|
Понеделник, 13.04.2009 г. 16:48 ч. |
|
 |
TTT
Вече прави дребни ремонти
Регистриран на: Понеделник, 11.02.2008 г. 18:53 ч. Мнения: 118 Местоположение: София
|
 Re: Оборотомер ?
vromos написа: Прикачвам схема по която съм свързал моя ладов оборотомер и работи  Благодаря за схемата! Преди празниците един приятел ми налепи експериментално (хвърчащ монтаж) елементите и оборотомера от 2107 заработи. Спокойно, без да трепти, реагира и при рязко подаване на газ, и при постепенно увеличаване на оборотите. Остава да го сверя, за да съм сигурен в показанията. Още веднъж - Благодаря!!!
|
Вторник, 05.01.2010 г. 14:11 ч. |
|
 |
j_totkow
Ентусиаст
Регистриран на: Вторник, 26.02.2008 г. 20:29 ч. Мнения: 550 Местоположение: Пазарджик
Skype: j_totkow
Automobile: много ясно - трабант
|
 Re: Оборотомер ?
Добре аз имах 3 оборотомера и 3-те ги връзвах (поотделно, за да ги пробвам) на 1 бобина и показваха нещо чак тогава, когато ги поставях легнали с циферблата да гледа към небето, а като ги изправя както са в ладата не помръдва стрелката (има един потенциометър на оборотомерите, въртял съм го и него и нищо не става пак) Слагах и на 2 бобини с некви диоди и пак така. На тая схема има някакви кондензатори, ала бала..... Колега я кажи точно какво върза, какви диоди купи, че много хора ми обясняваха, ама сигурно щото съм бавен или де да знам, но не става (ако може и да го снимаш при бобините) ![2beers [smilie=2beers]](./images/smilies/2beers.gif)
_________________ http://totkow.blogspot.com/
|
Вторник, 05.01.2010 г. 14:32 ч. |
|
 |
TTT
Вече прави дребни ремонти
Регистриран на: Понеделник, 11.02.2008 г. 18:53 ч. Мнения: 118 Местоположение: София
|
 Re: Оборотомер ?
Диодите са 1N4007 - такива имаше колегата. Те са за по-голямо напрежение. Кондензаторите са с по-голям капацитет. Понеже нямаше с такава стойност - 330n, лепна по два и сумарно стойността им стана по-голяма, но точно колко - не знам. Довечера ще го снимам и утре ще кача снимките.
|
Вторник, 05.01.2010 г. 15:58 ч. |
|
|